0%

Redis源码-跳跃表zskiplist

源码位置:t_zset.c/server.h

跳跃表是zset有序集合的底层实现之一。

节点插入: 跳跃表中,一个节点的插入,分为三个步骤。

  1. 根据新增节点的score值,从最高层开始往下对比查找到新增节点每一层(这里的“每一层”是指以当前跳跃表最高层为准,并不是新增节点的层数,因为此时新增节点还没有随机出层数)的前驱层的节点指针,redis使用update[ZSKIPLIST_MAXLEVEL]数组来记录。计算出从header的每一层到新增节点所经过的节点数,使用rank[ZSKIPLIST_MAXLEVEL]数组来记录。
  2. 使用redis的随机算法,随机出新增节点的层数,如果高于当前层数,则更新跳跃表的最高层数、update数组对应的指向和rank数组对应的值(高出那部分的层数rank值为0)。
  3. 进行跳跃表的插入,就是对新增节点插入位置相邻的节点间,根据update数组进行更改指针指向的操作,根据rank来计算出对应span的值。

节点删除: 和节点插入的原理差不多,也需要用到update数组。根据score找到对应节点后,将节点抽离出来(根据update数组进行指针的重新指向,对应的span值减1),进行删除操作即可。

节点更新: 和节点删除的原理差不多,如果跳跃表中没有该数据,则进行插入操作。

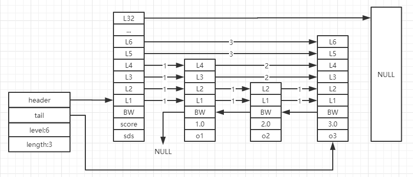
跳跃表的结构如下:
zskiplist.png

函数 作用 时间复杂度
zslCreate 创建跳跃表 O(1)
zslFree 释放跳跃表 O(n)
zslInsert 插入节点 平均O(logN),最坏O(N)
zslDelete 删除节点 平均O(logN),最坏O(N)
zslGetRank 返回指定分值和成员在跳跃表中的排位 平均O(logN),最坏O(N)
zslGetElementByRank 返回跳跃表在给定排位的节点 平均O(logN),最坏O(N)

结构体与宏定义


server.h:

1
2
3
4
5
6
7
8
9
10
11
12
13
14
15
16
17
18
19
20
21
22
23
24
25
26
27
28
29
30
31
32
33
34
35
36
37
38
39
40
41
42
43
44
45
46
/* ZSETs use a specialized version of Skiplists */
typedef struct zskiplistNode {
sds ele;
double score; // 分值
struct zskiplistNode *backward; // 后继指针
struct zskiplistLevel {
struct zskiplistNode *forward; // 前驱指针
unsigned long span; // 跨度
} level[]; // 跳跃表的层
} zskiplistNode;

typedef struct zskiplist {
struct zskiplistNode *header, *tail; // header为跳跃表的表头节点, tail为表尾节点
unsigned long length; // 跳跃表的长度
int level; // 跳跃表当前的层数
} zskiplist;

#define ZSKIPLIST_MAXLEVEL 32 /* Should be enough for 2^64 elements */ // 跳跃表层数,最大为32层,理论上当数据达到2^64时,才会能达到最顶层,所以完全足够
#define ZSKIPLIST_P 0.25 /* Skiplist P = 1/4 */ // 用于计算上层被分配到的概率

/* Input flags. */
#define ZADD_NONE 0
#define ZADD_INCR (1<<0) /* Increment the score instead of setting it. */
#define ZADD_NX (1<<1) /* Don't touch elements not already existing. */
#define ZADD_XX (1<<2) /* Only touch elements already existing. */

/* Output flags. */
#define ZADD_NOP (1<<3) /* Operation not performed because of conditionals.*/
#define ZADD_NAN (1<<4) /* Only touch elements already existing. */
#define ZADD_ADDED (1<<5) /* The element was new and was added. */
#define ZADD_UPDATED (1<<6) /* The element already existed, score updated. */

/* Flags only used by the ZADD command but not by zsetAdd() API: */
#define ZADD_CH (1<<16) /* Return num of elements added or updated. */

/* Struct to hold a inclusive/exclusive range spec by score comparison. */
typedef struct {
double min, max;
int minex, maxex; /* are min or max exclusive? */
} zrangespec;

/* Struct to hold an inclusive/exclusive range spec by lexicographic comparison. */
typedef struct {
sds min, max; /* May be set to shared.(minstring|maxstring) */
int minex, maxex; /* are min or max exclusive? */
} zlexrangespec;

函数功能总览


server.h:

1
2
3
4
5
6
7
8
9
10
11
12
13
14
15
zskiplist *zslCreate(void); // 创建跳跃表,分配指定级别数的跳跃表节点
void zslFree(zskiplist *zsl); // 释放跳跃表
zskiplistNode *zslInsert(zskiplist *zsl, double score, sds ele); // 跳跃表插入新节点
int zslDelete(zskiplist *zsl, double score, sds ele, zskiplistNode **node); // 删除节点
zskiplistNode *zslFirstInRange(zskiplist *zsl, zrangespec *range); // 查找指定范围中的第一个节点
zskiplistNode *zslLastInRange(zskiplist *zsl, zrangespec *range); // 查找指定范围中的最后一个节点
int zslValueGteMin(double value, zrangespec *spec);
int zslValueLteMax(double value, zrangespec *spec);
void zslFreeLexRange(zlexrangespec *spec); // 释放
int zslParseLexRange(robj *min, robj *max, zlexrangespec *spec);
zskiplistNode *zslFirstInLexRange(zskiplist *zsl, zlexrangespec *range);
zskiplistNode *zslLastInLexRange(zskiplist *zsl, zlexrangespec *range);
int zslLexValueGteMin(sds value, zlexrangespec *spec);
int zslLexValueLteMax(sds value, zlexrangespec *spec);
unsigned long zslGetRank(zskiplist *zsl, double score, sds o); // 返回指定分值和成员在跳跃表中的排位(位置)

主要函数实现


1
2
3
4
5
6
7
8
9
10
11
12
13
14
15
16
17
18
19
20
21
22
23
24
25
26
27
28
29
30
31
32
33
34
35
36
37
38
39
40
41
42
43
44
45
46
47
48
49
50
51
52
53
54
55
56
57
58
59
60
61
62
63
64
65
66
67
/* Insert a new node in the skiplist. Assumes the element does not already
* exist (up to the caller to enforce that). The skiplist takes ownership
* of the passed SDS string 'ele'. */
zskiplistNode *zslInsert(zskiplist *zsl, double score, sds ele) {
zskiplistNode *update[ZSKIPLIST_MAXLEVEL], *x; // update数组用来记录新增节点的每一层的前驱节点指针
unsigned int rank[ZSKIPLIST_MAXLEVEL]; // rank数组用来记录从header的每一层到新增节点所经过的节点数
int i, level;

serverAssert(!isnan(score));
x = zsl->header;
// 从最高层开始往下遍历
for (i = zsl->level-1; i >= 0; i--) {
/* store rank that is crossed to reach the insert position */
rank[i] = i == (zsl->level-1) ? 0 : rank[i+1];
// 判断新增节点在跳跃表中所处的位置
while (x->level[i].forward &&
(x->level[i].forward->score < score ||
(x->level[i].forward->score == score &&
sdscmp(x->level[i].forward->ele,ele) < 0)))
{
rank[i] += x->level[i].span;
x = x->level[i].forward;
}
update[i] = x;
}
/* we assume the element is not already inside, since we allow duplicated
* scores, reinserting the same element should never happen since the
* caller of zslInsert() should test in the hash table if the element is
* already inside or not. */
// 随机生成新增节点的层数
level = zslRandomLevel();
// 如果随机生成的层数比当前跳跃表的层数高,则初始化高于跳跃表的最高层数的所有层
if (level > zsl->level) {
for (i = zsl->level; i < level; i++) {
rank[i] = 0;
update[i] = zsl->header;
update[i]->level[i].span = zsl->length;
}
zsl->level = level;
}
// 创建新增节点
x = zslCreateNode(level,score,ele);
// 根据update数组来进行新增节点的插入操作,根据rank数组来计算新增节点的跨度
for (i = 0; i < level; i++) {
x->level[i].forward = update[i]->level[i].forward;
update[i]->level[i].forward = x;

/* update span covered by update[i] as x is inserted here */
x->level[i].span = update[i]->level[i].span - (rank[0] - rank[i]);
update[i]->level[i].span = (rank[0] - rank[i]) + 1;
}

/* increment span for untouched levels */
// 如果新增节点的层数低于跳跃表的层数,则高于新增节点的层数的跨度增加1
for (i = level; i < zsl->level; i++) {
update[i]->level[i].span++;
}

// 设置新增节点的前置节点
x->backward = (update[0] == zsl->header) ? NULL : update[0];
if (x->level[0].forward)
x->level[0].forward->backward = x;
else
zsl->tail = x;
zsl->length++;
return x;
}
1
2
3
4
5
6
7
8
9
10
11
12
13
14
15
16
17
18
19
20
21
22
23
24
25
26
27
28
29
30
31
32
33
34
35
36
37
38
/* Delete an element with matching score/element from the skiplist.
* The function returns 1 if the node was found and deleted, otherwise
* 0 is returned.
*
* If 'node' is NULL the deleted node is freed by zslFreeNode(), otherwise
* it is not freed (but just unlinked) and *node is set to the node pointer,
* so that it is possible for the caller to reuse the node (including the
* referenced SDS string at node->ele). */
int zslDelete(zskiplist *zsl, double score, sds ele, zskiplistNode **node) {
zskiplistNode *update[ZSKIPLIST_MAXLEVEL], *x;
int i;

x = zsl->header;
// 从最高层开始遍历,查找所要删除节点在跳跃表中的位置
for (i = zsl->level-1; i >= 0; i--) {
while (x->level[i].forward &&
(x->level[i].forward->score < score ||
(x->level[i].forward->score == score &&
sdscmp(x->level[i].forward->ele,ele) < 0)))
{
x = x->level[i].forward;
}
update[i] = x;
}
/* We may have multiple elements with the same score, what we need
* is to find the element with both the right score and object. */
x = x->level[0].forward;
if (x && score == x->score && sdscmp(x->ele,ele) == 0) {
// 删除节点
zslDeleteNode(zsl, x, update);
if (!node)
zslFreeNode(x);
else
*node = x;
return 1;
}
return 0; /* not found */
}
1
2
3
4
5
6
7
8
9
10
11
12
13
14
15
16
17
18
19
20
21
22
23
24
25
26
27
28
29
30
31
32
33
34
35
36
37
38
39
40
41
42
43
44
45
46
47
48
49
50
51
52
53
54
/* Update the score of an elmenent inside the sorted set skiplist.
* Note that the element must exist and must match 'score'.
* This function does not update the score in the hash table side, the
* caller should take care of it.
*
* Note that this function attempts to just update the node, in case after
* the score update, the node would be exactly at the same position.
* Otherwise the skiplist is modified by removing and re-adding a new
* element, which is more costly.
*
* The function returns the updated element skiplist node pointer. */
zskiplistNode *zslUpdateScore(zskiplist *zsl, double curscore, sds ele, double newscore) {
zskiplistNode *update[ZSKIPLIST_MAXLEVEL], *x;
int i;

/* We need to seek to element to update to start: this is useful anyway,
* we'll have to update or remove it. */
x = zsl->header;
for (i = zsl->level-1; i >= 0; i--) {
while (x->level[i].forward &&
(x->level[i].forward->score < curscore ||
(x->level[i].forward->score == curscore &&
sdscmp(x->level[i].forward->ele,ele) < 0)))
{
x = x->level[i].forward;
}
update[i] = x;
}

/* Jump to our element: note that this function assumes that the
* element with the matching score exists. */
x = x->level[0].forward;
serverAssert(x && curscore == x->score && sdscmp(x->ele,ele) == 0);

/* If the node, after the score update, would be still exactly
* at the same position, we can just update the score without
* actually removing and re-inserting the element in the skiplist. */
if ((x->backward == NULL || x->backward->score < newscore) &&
(x->level[0].forward == NULL || x->level[0].forward->score > newscore))
{
x->score = newscore;
return x;
}

/* No way to reuse the old node: we need to remove and insert a new
* one at a different place. */
zslDeleteNode(zsl, x, update);
zskiplistNode *newnode = zslInsert(zsl,newscore,x->ele);
/* We reused the old node x->ele SDS string, free the node now
* since zslInsert created a new one. */
x->ele = NULL;
zslFreeNode(x);
return newnode;
}
1
2
3
4
5
6
7
8
9
10
11
// 随机层数算法
/* Returns a random level for the new skiplist node we are going to create.
* The return value of this function is between 1 and ZSKIPLIST_MAXLEVEL
* (both inclusive), with a powerlaw-alike distribution where higher
* levels are less likely to be returned. */
int zslRandomLevel(void) {
int level = 1;
while ((random()&0xFFFF) < (ZSKIPLIST_P * 0xFFFF))
level += 1;
return (level<ZSKIPLIST_MAXLEVEL) ? level : ZSKIPLIST_MAXLEVEL;
}
1
2
3
4
5
6
7
8
9
10
11
12
/* Free a whole skiplist. */
void zslFree(zskiplist *zsl) {
zskiplistNode *node = zsl->header->level[0].forward, *next;

zfree(zsl->header);
while(node) {
next = node->level[0].forward;
zslFreeNode(node);
node = next;
}
zfree(zsl);
}
1
2
3
4
5
6
7
8
9
10
11
12
13
14
15
16
17
18
19
20
// 根据rank(排位)来查找跳跃表中指定的节点
/* Finds an element by its rank. The rank argument needs to be 1-based. */
zskiplistNode* zslGetElementByRank(zskiplist *zsl, unsigned long rank) {
zskiplistNode *x;
unsigned long traversed = 0;
int i;

x = zsl->header;
for (i = zsl->level-1; i >= 0; i--) {
while (x->level[i].forward && (traversed + x->level[i].span) <= rank)
{
traversed += x->level[i].span;
x = x->level[i].forward;
}
if (traversed == rank) {
return x;
}
}
return NULL;
}